Fabricants depuis 1958
Ruedas Alex

SÉRIE HLS-HG 2-3179

Voir la comparaison
Code: 2-3179

Roulettes à noyau en acier et bande en caoutchouc noir naturel. Indiquées spécialement pour supporter de forte charges jusqu'à 700 Kg. Avec support de suspension élastique avec incorporation de ressort très résistant, idéale sur sols irréguliers où son amortissement agit.

Appliquées comme outils de transport et logistique, dans les espaces extérieurs, grues mobiles, missions de transport de matériel et logistique.

Utilisées principalement dans le secteur ferroviaire et aéronautique.

Appliquées dans des projets de génie mécanique réalisés par des dessinateurs et des projeteurs.

HG: Roulette appropriée à traction mécanique. Protection maximale des sols. Roulement doux et silencieux. (Chariots élévateurs, remorques etc ...). Industrie en général.

Composants

Montours

Fabrication en acier forge vernis noir jusqu´à 12 mm d’épaisseur Monture avec suspension élastique par l’incorporation d’un ressorttrès résistantSystème à ressort jusqu´à 24,5 mm avec une charge de 700 kgFabrication conformément aux normes européennes EN 12532/12533.

Roue

Corps de roue en fonte et bandage en caoutchouc avec graisseur
Plage de températures: -20º ÷ +60º
Résistence Au Roulement Satisfaisant
Le bruit de roulement Excellente
Protection Du Sol Excellente

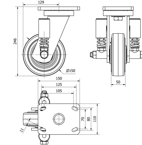
Données techniques 2-3179

EAN:
8422202231792
Type De Chape:
Pivotante
Type De Monture:
Platine
Type De Frein:
Sans Frein
Matériel:
Caoutchouc
Roulement:
Billes
Diamètre (mm):
150
Largeur de la bande (mm):
50
Dimensions de la platine (mm):
150x110
Entre 'axe des trous de fixation (mm):
105x80
Diamètre du trou de fixation (mm):
10
Déport de la roulette (mm):
129
Hauteur totale (mm):
246
Charge:
400
Poids unitaire de la roue (kg):
9,065
Volume (cm3):
5520
Données techniques 2-3179

Espace privé

Regístrate
Télécharger en formats 3D
Télécharger en formats 2D
DWG
Télécharger le PDF
PDF
Prix
--

Produits similaires

Contact

Contactez-nous

Envoyez-nous le formulaire suivant et nous vous contacterons pour répondre à votre question.

Coordonnées:
Email: info@alex.es
Téléphone: (+34) 974 035 345
Horaires d’ouverture:
Lundi au vendredi: 8-14h / 15-18h
Samedi et dimanche: Fermé
Responsable: Ruedas Alex, S.L.U, siendo la Finalidad: gestionar el contacto entre cualquier interesado y nuestros servicios de atención. La Legitimación: es gracias a tu consentimiento. Destinatarios: no se comunicarán los datos personales a ningún tercero. Podrás efercer Tus Derechos de Acceso, Rectificación, Supresión, Limitación, Oposición y Portabilidad en rgpd@alex.es. Para más información consulte la Política de Privacidad.

Restez informé de toutes les nouvelles, offres et promotions que nous avons préparés pour vous.