Fabricants depuis 1958
Ruedas Alex

SÉRIE HLS-DE 2-3182

Voir la comparaison
Code: 2-3182

Roulettes à noyau en aluminium avec bande en caoutchouc noir élastique avec dureté 70º shore A. Indiquées spécialement pour supporter de fortes charges jusqu'à 500 kg.  Avec support de suspension élastique avec incorporation d'un ressort très résistant, idéale sur sols irréguliers où son amortissement agit. 

Utilisées pour les carrosseries, logistique interne, outils de transport, surfaces extérieures, gradins mobiles, plateformes élévatrices, chariots de transport, missions de transport de matériel et logistique, machinerie lourde, grues mobiles.

Appliquées dans des projets d'ingénierie mécanique réalisés par des dessinateurs et des projeteurs.

DE: Idéale pour le transfert manuel de charges moyennes. Silencieuse. Absorption aux chocs et vibrations. Protection maximale des sols et de l'équipement. Idéale pour sols irréguliers.

Composants

Montours

Fabriquée en acier forgé de 8mm. jusqu’à 18mm. d’épaisseur. Finition en peinture noire. Monture élastique grâce à l’incorporation de ressorts très résistants. Course du ressort jusqu’à 24,5mm. pour une charge de 700kg. Particulièrement adaptée pour absorber les coups, chocs et irrégularités. Fabriquée selon les normes Européennes EN12532/12533.

Roue

Corps de roue en aluminium et bandage en caoutchouc plein élastique(70º Shore A)
Plage de températures: -20º ÷ +70º
Résistence Au Roulement Satisfaisant
Le bruit de roulement Excellente
Protection Du Sol Excellente

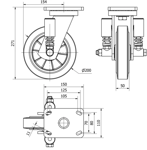
Données techniques 2-3182

EAN:
8422202231822
Type De Chape:
Pivotante
Type De Monture:
Platine
Type De Frein:
Sans Frein
Matériel:
Caoutchouc
Roulement:
Billes
Diamètre (mm):
200
Largeur de la bande (mm):
50
Dimensions de la platine (mm):
150x110
Entre 'axe des trous de fixation (mm):
105x80
Diamètre du trou de fixation (mm):
10
Déport de la roulette (mm):
154
Hauteur totale (mm):
271
Charge:
450
Poids unitaire de la roue (kg):
8
Volume (cm3):
6826
Données techniques 2-3182

Espace privé

Regístrate
Télécharger en formats 3D
Télécharger en formats 2D
DWG
Télécharger le PDF
PDF
Prix
--

Produits similaires

Contact

Contactez-nous

Envoyez-nous le formulaire suivant et nous vous contacterons pour répondre à votre question.

Coordonnées:
Email: info@alex.es
Téléphone: (+34) 974 035 345
Horaires d’ouverture:
Lundi au vendredi: 8-14h / 15-18h
Samedi et dimanche: Fermé
Responsable: Ruedas Alex, S.L.U, siendo la Finalidad: gestionar el contacto entre cualquier interesado y nuestros servicios de atención. La Legitimación: es gracias a tu consentimiento. Destinatarios: no se comunicarán los datos personales a ningún tercero. Podrás efercer Tus Derechos de Acceso, Rectificación, Supresión, Limitación, Oposición y Portabilidad en rgpd@alex.es. Para más información consulte la Política de Privacidad.

Restez informé de toutes les nouvelles, offres et promotions que nous avons préparés pour vous.