Fabricants depuis 1958
Ruedas Alex

SÉRIE HLR-HU 2-4257

Voir la comparaison
Code: 2-4257

Roulettes double à noyau en acier et bande en polyuréthane fondu avec dureté 95º shore A, indiquées pour supporter de très fortes charges jusqu'à 4 000Kg.

Utilisées comme outils de transport et logistique, grues transportant des matériaux lourds telles que les plateformes élévatrices. Utilisées principalement dans le secteur aéronautique, ferroviaire et automobile.

HU: Forte absorption aux chocs et aux impacts. Protection des sols et forte résistance à l'usure par abrasion. Silencieuse et respectueuse. Recommandées pour les surfaces rugueuses, irrégulières, abîmées, avec des puces métalliques, des traces d'huiles, des morceaux de verre, des traces de graisses, du gravier.

Composants

Montours

Fabrication en acier forgé, jusqu’à 12 mm d’épaisseur. Protection par vernis noir. Fabrication conformément aux normes européennes EN 12532.

Roue

Résistence Au Roulement Trés Bien
Le bruit de roulement Bien
Protection Du Sol Trés Bien

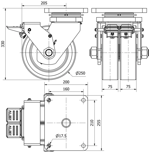
Données techniques 2-4257

EAN:
8422202242576
Type De Chape:
Pivotante
Type De Monture:
Platine
Type De Frein:
Frein De Roue
Roulement:
Billes
Diamètre (mm):
250
Largeur de la bande (mm):
75X2
Dimensions de la platine (mm):
255x200
Entre 'axe des trous de fixation (mm):
210x160
Diamètre du trou de fixation (mm):
16
Déport de la roulette (mm):
205
Hauteur totale (mm):
330
Charge:
3200
Données techniques 2-4257

Espace privé

Regístrate
Télécharger en formats 3D
Télécharger en formats 2D
DWG
Télécharger le PDF
PDF
Prix
--

Produits similaires

Contact

Contactez-nous

Envoyez-nous le formulaire suivant et nous vous contacterons pour répondre à votre question.

Coordonnées:
Email: info@alex.es
Téléphone: (+34) 974 035 345
Horaires d’ouverture:
Lundi au vendredi: 8-14h / 15-18h
Samedi et dimanche: Fermé
Responsable: Ruedas Alex, S.L.U, siendo la Finalidad: gestionar el contacto entre cualquier interesado y nuestros servicios de atención. La Legitimación: es gracias a tu consentimiento. Destinatarios: no se comunicarán los datos personales a ningún tercero. Podrás efercer Tus Derechos de Acceso, Rectificación, Supresión, Limitación, Oposición y Portabilidad en rgpd@alex.es. Para más información consulte la Política de Privacidad.

Restez informé de toutes les nouvelles, offres et promotions que nous avons préparés pour vous.