Fabricants depuis 1958
Ruedas Alex

SÉRIE HLB-TA 2-0529

Voir la comparaison
Code: 2-0529

Roulettes en acier, indiquées spécialement pour supporter de fortes charges jusqu'à 1 350 kg.

Utilisées comme outils de transport et logistique, dans les fours résistant de fortes températures (-40˚ à + 300˚), machinerie lourde dans le secteur de la construction.

Utilisées principalement dans le secteur ferroviaire et automobile.

TA: conditions de travail très sévères où l'existence d'objets tranchants, de produits chimiques ou de températures excessives détruirait d'autres types de roulettes. Forte capacité de charge.

Pour les températures supérieures à 200ºC, réduire la charge (Kgs) de 40%.

Composants

Montours

Fabrication en acier mécano-soudé jusqu’à 8 mm d’épaisseur.Protection par vernis noir.Système de pivotement avec un roulement à billes de précision et un roulement à rouleaux coniques, ces deux roulements placés de manière opposée.Le roulement supérieur destiné aux efforts axiaux et le roulement inférieur aux eff orts radiaux.Graisseur sur la tête de la chape et sur la roue.Fabrication conformément aux normes européennes EN 12532/12533.

Roue

Roue monobloc en fonte
Plage de températures: -40º ÷ +300º
Résistence Au Roulement Excellente
Le bruit de roulement Suffisant
Protection Du Sol Suffisant

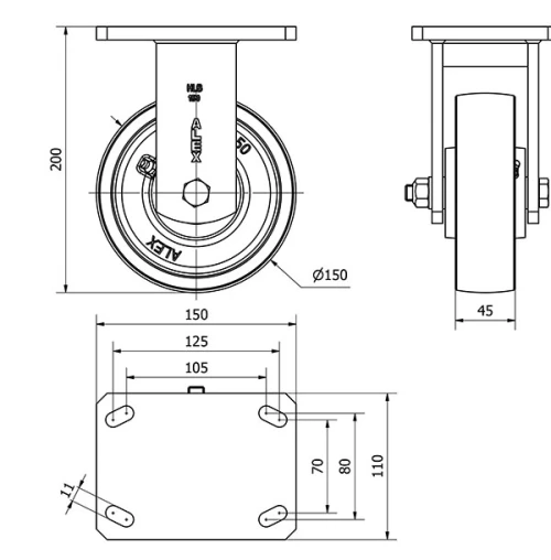
Données techniques 2-0529

EAN:
8422202205298
Type De Chape:
Fixe
Type De Monture:
Platine
Type De Frein:
Sans Frein
Matériel:
Fonte
Roulement:
Billes
Diamètre (mm):
150
Largeur de la bande (mm):
45
Dimensions de la platine (mm):
150x110
Entre 'axe des trous de fixation (mm):
105x80
Diamètre du trou de fixation (mm):
10
Hauteur totale (mm):
200
Charge:
1175
Poids unitaire de la roue (kg):
5,685
Volume (cm3):
3300
Données techniques 2-0529

Espace privé

Regístrate
Télécharger en formats 3D
Télécharger en formats 2D
DWG
Télécharger le PDF
PDF
Prix
--

Produits similaires

Contact

Contactez-nous

Envoyez-nous le formulaire suivant et nous vous contacterons pour répondre à votre question.

Coordonnées:
Email: info@alex.es
Téléphone: (+34) 974 035 345
Horaires d’ouverture:
Lundi au vendredi: 8-14h / 15-18h
Samedi et dimanche: Fermé
Responsable: Ruedas Alex, S.L.U, siendo la Finalidad: gestionar el contacto entre cualquier interesado y nuestros servicios de atención. La Legitimación: es gracias a tu consentimiento. Destinatarios: no se comunicarán los datos personales a ningún tercero. Podrás efercer Tus Derechos de Acceso, Rectificación, Supresión, Limitación, Oposición y Portabilidad en rgpd@alex.es. Para más información consulte la Política de Privacidad.

Restez informé de toutes les nouvelles, offres et promotions que nous avons préparés pour vous.