Fabricants depuis 1958
Ruedas Alex

SÉRIE HLB-PO 2-0486

Voir la comparaison
Code: 2-0486

Roulettes à noyau en nylon blanc et bande de polyuréthane rouge dureté 90-95º shore A. Traction mécanique. Indiquées spécialement pour supporter de fortes charges jusqu'à 600 kg.

Utilisées comme outils de transport et logistique, surfaces extérieures, logistique interne, usines de carrosseries, gradins mobiles, plateformes élévatrices, missions de transport et logistique, machinerie lourde, grues mobiles, tables élévatrices, chaudronneries, balayeuses, polisseuses, Industries de la métallurgique, chimique, services publics.

Utilisées principalement dans le secteur aéronautique, ferroviaire et automobile.

PO: Fonctionnement élastique et silencieuse. Excellente protection des sols. Silencieuse. Forte dureté à l'usure.

Composants

Montours

Fabrication en acier mécano-soudé jusqu’à 8 mm d’épaisseur. Protection par vernis noir. Système de pivotement avec un roulement à billes de précision et un roulement à rouleaux coniques, ces deux roulements placés de manière opposée. Le roulement supérieur destiné aux efforts axiaux et le roulement inférieur aux eff orts radiaux. Graisseur sur la tête de la chape et sur la roue. Fabrication conformément aux normes européennes EN 12532/12533.

Roue

Corps de roue en polyamide blanc et bandage en polyuréthane rouge (Shore A 95º)
Plage de températures: -25º ÷ +80º
Résistence Au Roulement Trés Bien
Le bruit de roulement Trés Bien
Protection Du Sol Trés Bien

Données techniques 2-0486

EAN:
8422202204864
Type De Chape:
Pivotante
Type De Monture:
Platine
Type De Frein:
Sans Frein
Matériel:
Polyuréthane
Dureté du bandage:
90-95º SHORE A
Roulement:
Billes
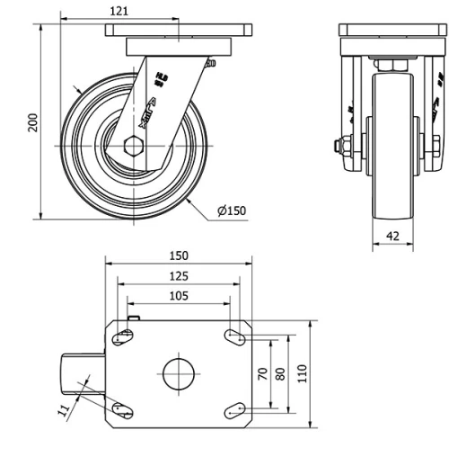
Diamètre (mm):
150
Largeur de la bande (mm):
42
Dimensions de la platine (mm):
150x110
Entre 'axe des trous de fixation (mm):
105x80
Diamètre du trou de fixation (mm):
10
Déport de la roulette (mm):
121
Hauteur totale (mm):
200
Charge:
450
Poids unitaire de la roue (kg):
4,02
Volume (cm3):
4312
Données techniques 2-0486

Espace privé

Regístrate
Télécharger en formats 3D
Télécharger en formats 2D
DWG
Télécharger le PDF
PDF
Prix
--

Produits similaires

Contact

Contactez-nous

Envoyez-nous le formulaire suivant et nous vous contacterons pour répondre à votre question.

Coordonnées:
Email: info@alex.es
Téléphone: (+34) 974 035 345
Horaires d’ouverture:
Lundi au vendredi: 8-14h / 15-18h
Samedi et dimanche: Fermé
Responsable: Ruedas Alex, S.L.U, siendo la Finalidad: gestionar el contacto entre cualquier interesado y nuestros servicios de atención. La Legitimación: es gracias a tu consentimiento. Destinatarios: no se comunicarán los datos personales a ningún tercero. Podrás efercer Tus Derechos de Acceso, Rectificación, Supresión, Limitación, Oposición y Portabilidad en rgpd@alex.es. Para más información consulte la Política de Privacidad.

Restez informé de toutes les nouvelles, offres et promotions que nous avons préparés pour vous.