Fabricants depuis 1958
Ruedas Alex

SÉRIE HLB-HUAB 2-3537

Voir la comparaison
Code: 2-3537

Roulettes à noyau en acier et bande de polyuréthane fondu avec dureté 95º shore A avec bande de roulement en forme de balona,  indiquées spécialement pour supporter de fortse charges jusqu'à 800 kg.

Appliquées comme outils de transport et logistique, surfaces extérieures, logistique interne, gradins mobiles, plateformes élévatrices, chariots de transport, missions de transport de matériel et logistique, machinerie lourde dans le secteur de la construction, grues mobiles et centres sportifs. Utilisées principalement dans le secteur aéronautique, ferroviaire et automobile.

HUAB: Manoeuvrabilité maximale. Forte absorption aux chocs. Conditions de chaussées défavorables. Surfaces rugueuses, abîmées, avec des puces métalliques, des traces d'huiles, de morceaux de verre, traces de graisses ou du gravier.

Moins d'effort de rotation et de déplacement.

Composants

Montours

Fabrication en acier mécano-soudé jusqu’à 8 mm d’épaisseur. Protection par vernis noir. Système de pivotement avec un roulement à billes de précision et un roulement à rouleaux coniques, ces deux roulements placés de manière opposée. Le roulement supérieur destiné aux efforts axiaux et le roulement inférieur aux eff orts radiaux. Graisseur sur la tête de la chape et sur la roue. Fabrication conformément aux normes européennes EN 12532/12533.

Roue

Corps de roue en fonte et bande de roulement en polyuréthane
Plage de températures: -20º ÷ +60º
Résistence Au Roulement Excellente
Le bruit de roulement Bien
Protection Du Sol Bien

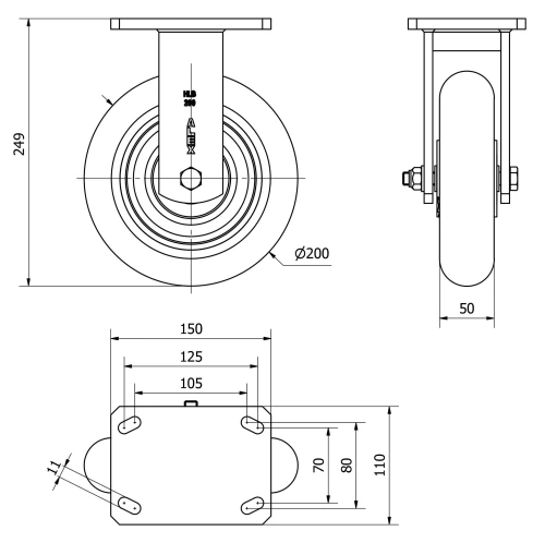
Données techniques 2-3537

EAN:
8422202235370
Type De Chape:
Fixe
Type De Monture:
Platine
Type De Frein:
Sans Frein
Matériel:
Polyuréthane
Dureté du bandage:
95º SHORE A
Roulement:
Billes
Diamètre (mm):
200
Largeur de la bande (mm):
50
Dimensions de la platine (mm):
150x110
Entre 'axe des trous de fixation (mm):
105x80
Diamètre du trou de fixation (mm):
10
Hauteur totale (mm):
249
Charge:
800
Poids unitaire de la roue (kg):
6,8
Volume (cm3):
5478
Données techniques 2-3537

Espace privé

Regístrate
Télécharger en formats 3D
Télécharger en formats 2D
DWG
Télécharger le PDF
PDF
Prix
--

Produits similaires

Contact

Contactez-nous

Envoyez-nous le formulaire suivant et nous vous contacterons pour répondre à votre question.

Coordonnées:
Email: info@alex.es
Téléphone: (+34) 974 035 345
Horaires d’ouverture:
Lundi au vendredi: 8-14h / 15-18h
Samedi et dimanche: Fermé
Responsable: Ruedas Alex, S.L.U, siendo la Finalidad: gestionar el contacto entre cualquier interesado y nuestros servicios de atención. La Legitimación: es gracias a tu consentimiento. Destinatarios: no se comunicarán los datos personales a ningún tercero. Podrás efercer Tus Derechos de Acceso, Rectificación, Supresión, Limitación, Oposición y Portabilidad en rgpd@alex.es. Para más información consulte la Política de Privacidad.

Restez informé de toutes les nouvelles, offres et promotions que nous avons préparés pour vous.