Fabricants depuis 1958
Ruedas Alex

SÉRIE HLB-HU 2-5208

Voir la comparaison
Code: 2-5208

Roulettes à noyau en acier et bande de polyuréthane fondu avec une dureté 95º shore A, indiquées spécialement pour supporter de fortes charges jusqu'à 1900 kg.

Appliquées comme outils de transport et logistique, surfaces extérieures, logistique interne, gradins mobiles, plateformes élévatrices, chariots de transport, missions de transport de matériel et logistique, machinerie lourde du secteur de la construction, grues mobiles.

Utilisées principalement dans le secteur aéronautique, ferroviaire et automobile.

HU: Forte absorption aux chocs. Conditions de chaussées défavorables. Surfaces rugueuses, abîmées, avec des puces métalliques, des traces d'huiles, morceaux de verre, des traces de graisses ou du gravier.

Composants

Montours

Fabrication en acier mécano-soudé jusqu’à 8 mm d’épaisseur. Protection par vernis noir. Système de pivotement avec un roulement à billes de précision et un roulement à rouleaux coniques, ces deux roulements placés de manière opposée. Le roulement supérieur destiné aux efforts axiaux et le roulement inférieur aux eff orts radiaux. Graisseur sur la tête de la chape et sur la roue. Fabrication conformément aux normes européennes EN 12532/12533.

Roue

Résistence Au Roulement Trés Bien
Le bruit de roulement Bien
Protection Du Sol Trés Bien

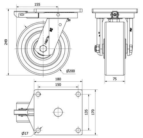
Données techniques 2-5208

EAN:
8422202252087
Type De Chape:
Pivotante
Type De Monture:
Platine
Type De Frein:
Blocage Directionnel
Matériel:
Polyuréthane
Dureté du bandage:
95º SHORE A
Roulement:
Billes
Couleur:
Orange
Diamètre (mm):
200
Largeur de la bande (mm):
75
Dimensions de la platine (mm):
180x170
Entre 'axe des trous de fixation (mm):
150x135
Diamètre du trou de fixation (mm):
17
Déport de la roulette (mm):
155
Hauteur totale (mm):
249
Charge:
1400
:
A
Données techniques 2-5208

Espace privé

Regístrate
Télécharger en formats 3D
Télécharger en formats 2D
DWG
Télécharger le PDF
PDF
Prix
--

Produits similaires

Contact

Contactez-nous

Envoyez-nous le formulaire suivant et nous vous contacterons pour répondre à votre question.

Coordonnées:
Email: info@alex.es
Téléphone: (+34) 974 035 345
Horaires d’ouverture:
Lundi au vendredi: 8-14h / 15-18h
Samedi et dimanche: Fermé
Responsable: Ruedas Alex, S.L.U, siendo la Finalidad: gestionar el contacto entre cualquier interesado y nuestros servicios de atención. La Legitimación: es gracias a tu consentimiento. Destinatarios: no se comunicarán los datos personales a ningún tercero. Podrás efercer Tus Derechos de Acceso, Rectificación, Supresión, Limitación, Oposición y Portabilidad en rgpd@alex.es. Para más información consulte la Política de Privacidad.

Restez informé de toutes les nouvelles, offres et promotions que nous avons préparés pour vous.