Fabricants depuis 1958
Ruedas Alex

SÉRIE HLB-HG 2-3358

Voir la comparaison
Code: 2-3358

Roulettes à noyau en acier et bande de caoutchouc noir naturel. Indiquées spécialement pour supporter de fortes charges jusqu'à 850 kg.

Utilisées spécialement comme outils de transport et logistique, gradins mobiles, grues transporteuses de matériaux lourds telles que les plateformes élévatrices, logistique interne, chariots de transport. Utilisées principalement dans le secteur aéronautique, ferroviaire et automobile.

HG: Roulette appropriée pour traction mécanique. Protection maximale des sols. Roulement doux et silencieux. (Chariots élévateurs, remorques etc ...). Industrie en général.

Composants

Montours

Fabrication en acier mécano-soudé jusqu’à 8 mm d’épaisseur. Protection par vernis noir. Système de pivotement avec un roulement à billes de précision et un roulement à rouleaux coniques, ces deux roulements placés de manière opposée. Le roulement supérieur destiné aux efforts axiaux et le roulement inférieur aux eff orts radiaux. Graisseur sur la tête de la chape et sur la roue. Fabrication conformément aux normes européennes EN 12532/12533.

Roue

Corps de roue en fonte et bandage en caoutchouc avec graisseur
Plage de températures: -20º ÷ +60º
Résistence Au Roulement Satisfaisant
Le bruit de roulement Excellente
Protection Du Sol Excellente

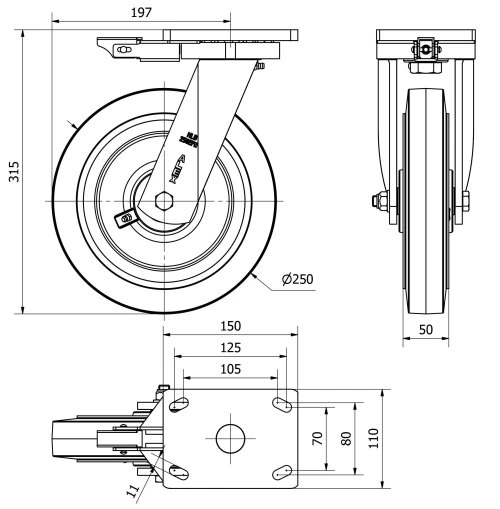
Données techniques 2-3358

EAN:
8422202233581
Type De Chape:
Pivotante
Type De Monture:
Platine
Type De Frein:
Blocage Directionnel
Matériel:
Caoutchouc
Roulement:
Billes
Diamètre (mm):
250
Largeur de la bande (mm):
50
Dimensions de la platine (mm):
150x110
Entre 'axe des trous de fixation (mm):
105x80
Diamètre du trou de fixation (mm):
10
Déport de la roulette (mm):
197
Hauteur totale (mm):
315
Charge:
700
Poids unitaire de la roue (kg):
10,465
Volume (cm3):
9425
:
E
Données techniques 2-3358

Espace privé

Regístrate
Télécharger en formats 3D
Télécharger en formats 2D
DWG
Télécharger le PDF
PDF
Prix
--

Produits similaires

Contact

Contactez-nous

Envoyez-nous le formulaire suivant et nous vous contacterons pour répondre à votre question.

Coordonnées:
Email: info@alex.es
Téléphone: (+34) 974 035 345
Horaires d’ouverture:
Lundi au vendredi: 8-14h / 15-18h
Samedi et dimanche: Fermé
Responsable: Ruedas Alex, S.L.U, siendo la Finalidad: gestionar el contacto entre cualquier interesado y nuestros servicios de atención. La Legitimación: es gracias a tu consentimiento. Destinatarios: no se comunicarán los datos personales a ningún tercero. Podrás efercer Tus Derechos de Acceso, Rectificación, Supresión, Limitación, Oposición y Portabilidad en rgpd@alex.es. Para más información consulte la Política de Privacidad.

Restez informé de toutes les nouvelles, offres et promotions que nous avons préparés pour vous.