Fabricants depuis 1958
Ruedas Alex

SÉRIE HLB-FT 2-0474

Voir la comparaison
Code: 2-0474

Roulettes en nylon extrafort, indiquées spécialement pour supporter de fortes charges jusqu'à 1 250 kg.

Appliquées comme outils de transport et logistique, surfaces extérieures, logistique interne, gradins mobiles, plateformes élévatrices, chariots de transport, missions de matériel et logistique, machinerie lourde dans le secteur de la construction, grues mobiles et centres sportifs. Utilisées principalement dans le secteur aéronautique, ferroviaire et automobile. Chambres blanches.

FT: Indiquée spécialement pour applications dans les industries alimentaire et chimique. Ne laisse pas de trace. Extraforte. Conserveries.

Composants

Montours

Fabrication en acier mécano-soudé jusqu’à 8 mm d’épaisseur.Protection par vernis noir.Système de pivotement avec un roulement à billes de précision et un roulement à rouleaux coniques, ces deux roulements placés de manière opposée.Le roulement supérieur destiné aux efforts axiaux et le roulement inférieur aux eff orts radiaux.Graisseur sur la tête de la chape et sur la roue.Fabrication conformément aux normes européennes EN 12532/12533.

Roue

Roue en polyamide 6 blanc, renforcé
Plage de températures: -30º ÷ +80º
Résistence Au Roulement Excellente
Le bruit de roulement Satisfaisant
Protection Du Sol Satisfaisant

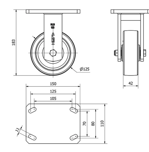
Données techniques 2-0474

EAN:
8422202204741
Type De Chape:
Fixe
Type De Monture:
Platine
Type De Frein:
Sans Frein
Matériel:
Polyamide 6
Roulement:
Lisse
Diamètre (mm):
125
Largeur de la bande (mm):
42
Dimensions de la platine (mm):
150x110
Entre 'axe des trous de fixation (mm):
105x80
Diamètre du trou de fixation (mm):
10
Hauteur totale (mm):
183
Charge:
600
Poids unitaire de la roue (kg):
2,636
Volume (cm3):
3020
Données techniques 2-0474

Espace privé

Regístrate
Télécharger en formats 3D
Télécharger en formats 2D
DWG
Télécharger le PDF
PDF
Prix
--

Produits similaires

Contact

Contactez-nous

Envoyez-nous le formulaire suivant et nous vous contacterons pour répondre à votre question.

Coordonnées:
Email: info@alex.es
Téléphone: (+34) 974 035 345
Horaires d’ouverture:
Lundi au vendredi: 8-14h / 15-18h
Samedi et dimanche: Fermé
Responsable: Ruedas Alex, S.L.U, siendo la Finalidad: gestionar el contacto entre cualquier interesado y nuestros servicios de atención. La Legitimación: es gracias a tu consentimiento. Destinatarios: no se comunicarán los datos personales a ningún tercero. Podrás efercer Tus Derechos de Acceso, Rectificación, Supresión, Limitación, Oposición y Portabilidad en rgpd@alex.es. Para más información consulte la Política de Privacidad.

Restez informé de toutes les nouvelles, offres et promotions que nous avons préparés pour vous.