Fabricants depuis 1958
Ruedas Alex

SÉRIE HLB-DE 2-0451

Voir la comparaison
Code: 2-0451

Rouettes à noyau en aluminium et élastique en nylon noir avec une dureté de 70˚ ​​shore A. Indiquées spécialement pour supporter des charges jusqu'à 500 kg.

Utilisées dans les ateliers de carrosserie, logistique interne, outils de transport, plateformes élévatrices, chariots de transport, missions de transport de matériel et logistique, machinerie lourde, gradins mobiles, centres sportifs, balayeuses, polisseuses.

DE: Idéale pour le transfert manuel de charges moyennes et déplacement silencieux. Absorption aux chocs et vibrations. Protection maximale des sols et de l'équipement. Idéale pour sols irréguliers.

Composants

Montours

Fabrication en acier mécano-soudé jusqu’à 8 mm d’épaisseur. Protection par vernis noir. Système de pivotement avec un roulement à billes de précision et un roulement à rouleaux coniques, ces deux roulements placés de manière opposée. Le roulement supérieur destiné aux efforts axiaux et le roulement inférieur aux eff orts radiaux. Graisseur sur la tête de la chape et sur la roue. Fabrication conformément aux normes européennes EN 12532/12533.

Roue

Corps de roue en aluminium et bandage en caoutchouc plein élastique(70º Shore A)
Plage de températures: -20º ÷ +70º
Résistence Au Roulement Satisfaisant
Le bruit de roulement Excellente
Protection Du Sol Excellente

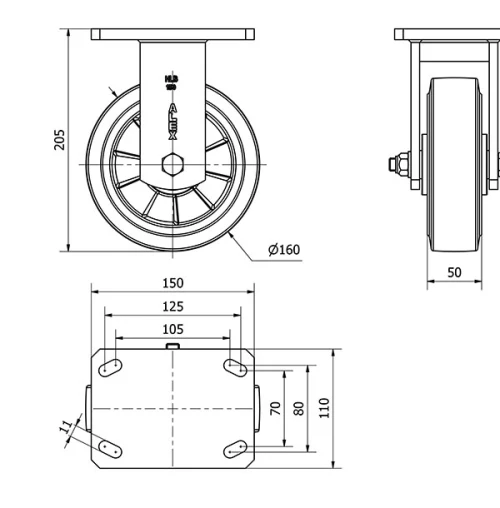
Données techniques 2-0451

EAN:
8422202204512
Type De Chape:
Fixe
Type De Monture:
Platine
Type De Frein:
Sans Frein
Matériel:
Caoutchouc
Dureté du bandage:
70º SHORE A
Roulement:
Billes
Diamètre (mm):
160
Largeur de la bande (mm):
50
Dimensions de la platine (mm):
150x110
Entre 'axe des trous de fixation (mm):
105x80
Diamètre du trou de fixation (mm):
10
Hauteur totale (mm):
205
Charge:
350
Poids unitaire de la roue (kg):
3,465
Volume (cm3):
3608
Données techniques 2-0451

Espace privé

Regístrate
Télécharger en formats 3D
Télécharger en formats 2D
DWG
Télécharger le PDF
PDF
Prix
--

Produits similaires

Contact

Contactez-nous

Envoyez-nous le formulaire suivant et nous vous contacterons pour répondre à votre question.

Coordonnées:
Email: info@alex.es
Téléphone: (+34) 974 035 345
Horaires d’ouverture:
Lundi au vendredi: 8-14h / 15-18h
Samedi et dimanche: Fermé
Responsable: Ruedas Alex, S.L.U, siendo la Finalidad: gestionar el contacto entre cualquier interesado y nuestros servicios de atención. La Legitimación: es gracias a tu consentimiento. Destinatarios: no se comunicarán los datos personales a ningún tercero. Podrás efercer Tus Derechos de Acceso, Rectificación, Supresión, Limitación, Oposición y Portabilidad en rgpd@alex.es. Para más información consulte la Política de Privacidad.

Restez informé de toutes les nouvelles, offres et promotions que nous avons préparés pour vous.