Fabricants depuis 1958
Ruedas Alex

SÉRIE GT-HU 4-0167

Voir la comparaison
Code: 4-0167

Roulettes à noyau en acier et bande de polyuréthane fondu avec une dureté de 95 º shore A, indiquées spécialement pour supporter de fortes charges jusqu'à 1 250 kg.

Appliquées comme outils de transport et logistique, dans les surfaces extérieures, logistique interne, gradins mobiles. Plateformes élévatrices, chariots de transport, logistique, machinerie lourde du secteur de la construction, grues mobiles. Utilisées principalement dans le secteur aéronautique, ferroviaire et automobile.

HU: Forte absorption aux chocs. Conditions de chaussées défavorables. Surfaces rugueuses, abîmées, avec des puces métalliques, des traces d'huiles, de morceaux de verre, des traces de graisses, du gravier.

Composants

Montours

Fabrication en acier forgé jusqu’à 8 mm d’épaisseur sans boulon Protection para vernis noir. Système de pivotement avec billes en acier renforcés permettant de supporter des efforts radiaux et latéraux. Fabrication conformément aux normes européennes EN 12532/12533.

Roue

Résistence Au Roulement Trés Bien
Le bruit de roulement Bien
Protection Du Sol Trés Bien

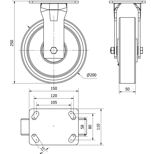
Données techniques 4-0167

EAN:
8422202401676
Type De Chape:
Fixe
Type De Monture:
Platine
Type De Frein:
Sans Frein
Matériel:
Polyuréthane
Dureté du bandage:
95º SHORE A
Roulement:
Billes
Diamètre (mm):
200
Largeur de la bande (mm):
50
Dimensions de la platine (mm):
150x110
Entre 'axe des trous de fixation (mm):
105x80
Diamètre du trou de fixation (mm):
12
Hauteur totale (mm):
250
Charge:
1100
Poids unitaire de la roue (kg):
5,657
Volume (cm3):
5500
Données techniques 4-0167

Espace privé

Regístrate
Télécharger en formats 3D
Télécharger en formats 2D
DWG
Télécharger le PDF
PDF
Prix
--

Produits similaires

Contact

Contactez-nous

Envoyez-nous le formulaire suivant et nous vous contacterons pour répondre à votre question.

Coordonnées:
Email: info@alex.es
Téléphone: (+34) 974 035 345
Horaires d’ouverture:
Lundi au vendredi: 8-14h / 15-18h
Samedi et dimanche: Fermé
Responsable: Ruedas Alex, S.L.U, siendo la Finalidad: gestionar el contacto entre cualquier interesado y nuestros servicios de atención. La Legitimación: es gracias a tu consentimiento. Destinatarios: no se comunicarán los datos personales a ningún tercero. Podrás efercer Tus Derechos de Acceso, Rectificación, Supresión, Limitación, Oposición y Portabilidad en rgpd@alex.es. Para más información consulte la Política de Privacidad.

Restez informé de toutes les nouvelles, offres et promotions que nous avons préparés pour vous.