Fabricants depuis 1958
Ruedas Alex

SÉRIE GT-HG 2-1968

Voir la comparaison
Code: 2-1968

Roulettes à noyau en acier et bande en caoutchouc noir naturel, indiquées spécialement pour supporter de fortes charges jusqu'à 700 kg.

Utilisées comme outils de transport et logistique, logistique interne, gradins mobiles, plateformes élévatrices, chariots de transport, missions de transport de matériel et logistique, machinerie lourde dans le secteur de la construction, grues mobiles, abattoirs. Principalement dans les secteurs du textile, de l'aéronautique, du ferroviaire et de l'automobile.

HG: Roulette appropriée pour traction mécanique (chariots élévateurs, remorques etc ...) et manuelle. Industrie en général.

Composants

Montours

Fabrication en acier forgé jusqu’à 8 mm d’épaisseur sans boulonProtection para vernis noir.Système de pivotement avec billes en acier renforcés permettant de supporter des efforts radiaux et latéraux.Fabrication conformément aux normes européennes EN 12532/12533.

Roue

Corps de roue en fonte et bandage en caoutchouc avec graisseur
Plage de températures: -20º ÷ +60º
Résistence Au Roulement Satisfaisant
Le bruit de roulement Excellente
Protection Du Sol Excellente

Données techniques 2-1968

EAN:
8422202219684
Type De Chape:
Pivotante
Type De Monture:
Platine
Type De Frein:
Sans Frein
Matériel:
Caoutchouc
Roulement:
Billes
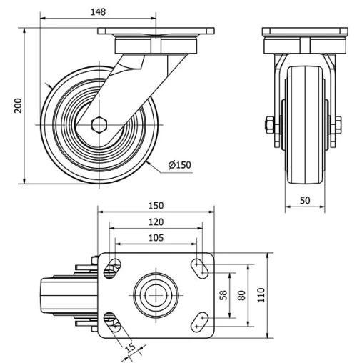
Diamètre (mm):
150
Largeur de la bande (mm):
50
Dimensions de la platine (mm):
150x110
Entre 'axe des trous de fixation (mm):
105x80
Diamètre du trou de fixation (mm):
12
Déport de la roulette (mm):
148
Hauteur totale (mm):
200
Charge:
400
Poids unitaire de la roue (kg):
5,6
Volume (cm3):
4906
Données techniques 2-1968

Espace privé

Regístrate
Télécharger en formats 3D
Télécharger en formats 2D
DWG
Télécharger le PDF
PDF
Prix
--

Produits similaires

Contact

Contactez-nous

Envoyez-nous le formulaire suivant et nous vous contacterons pour répondre à votre question.

Coordonnées:
Email: info@alex.es
Téléphone: (+34) 974 035 345
Horaires d’ouverture:
Lundi au vendredi: 8-14h / 15-18h
Samedi et dimanche: Fermé
Responsable: Ruedas Alex, S.L.U, siendo la Finalidad: gestionar el contacto entre cualquier interesado y nuestros servicios de atención. La Legitimación: es gracias a tu consentimiento. Destinatarios: no se comunicarán los datos personales a ningún tercero. Podrás efercer Tus Derechos de Acceso, Rectificación, Supresión, Limitación, Oposición y Portabilidad en rgpd@alex.es. Para más información consulte la Política de Privacidad.

Restez informé de toutes les nouvelles, offres et promotions que nous avons préparés pour vous.