Chez Ruedas Alex, nous sommes ravis de vous présenter notre dernière innovation, conçue spécifiquement pour une entreprise importante du secteur aéronautique. Notre solution répond aux exigences techniques visant à améliorer les performances optimales dans des conditions exigeantes

Le défi consistait à créer une roue compacte, silencieuse et respectueuse du sol, avec une fourche résistante à des vitesses élevées et capable de rouler sur un asphalte rugueux. De plus, il était nécessaire que la roue offre stabilité et sécurité lorsque l'équipement reste immobile.

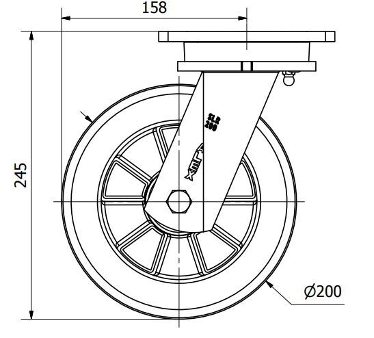
Pour répondre à ces spécifications, nous avons opté pour notre SÉRIE SLR200-AUSB200 : une roue en polyuréthane coulé avec un noyau en aluminium, capable de supporter une vitesse allant jusqu'à 18 km/h et équipée d'une fourche à double roulement qui assure une résistance aux charges latérales et aux virages.

SLR200-AUSB200

Le résultat a été un succès retentissant, permettant à notre client d'utiliser des gradins mobiles polyvalents pour tous types de maintenance d'avions.

Chez Ruedas Alex, nous restons engagés envers l'innovation et l'excellence, en offrant des solutions qui font la différence dans des secteurs aussi exigeants que l'aéronautique.